Tento web používá k poskytování služeb, personalizaci reklam a analýze návštěvnosti soubory cookie. Používáním tohoto webu s tím souhlasíte.
Souhlasím

Kategorie

Menu

Přihlášení

Dveřní videosystém

DV2003A Objednávací číslo: 700

Černo-bílý domovní komunikační systém.

Toto zboží již není skladem

Popis produktu

Vlastnosti dveřního systému DV2003A:

1. Kvalitní obraz dveřního videosystému
Je zprostředkován díky komunikačnímu systému s vestavěnými 4” černobílým monitorem a venkovní CMOS kamerou.

2. Jednoduchá instalace
Tento dveřní videosystém má celkem 4 vodiče, lze ovšem použít i vodiče od existujícího domovního zvonku nebo komunikačního systému.

3. Čistý kvalitní obraz
Můžeme identifikovat návštěvu při zazvonění pomocí CMOS kamery a 4” monitoru.

4. Noční identifikace
Infračervené LED diody v kameře.

5. Funkce dálkového otevírání dveří

6. Dvoucestný komunikační systém
Tento systém umožňuje hlasovou komunikaci mezi vnitřním monitorem a venkovní kamerou.

7. Automatická identifikace návštěvníka
Když návštěva stiskne tlačítko na kamerové jednotce a zazvoní, vnitřní monitor se automaticky aktivuje. Pokud je to nutné, můžete pouze sledovat návštěvu, aniž byste s ní hovořili.

 

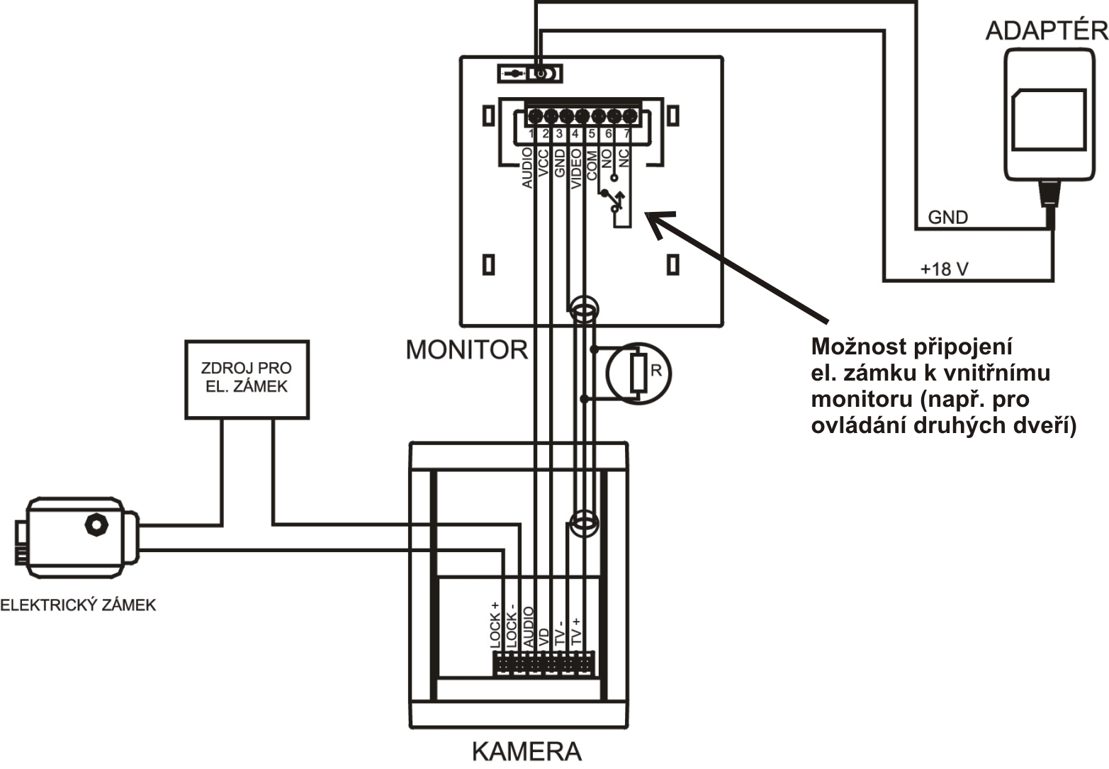
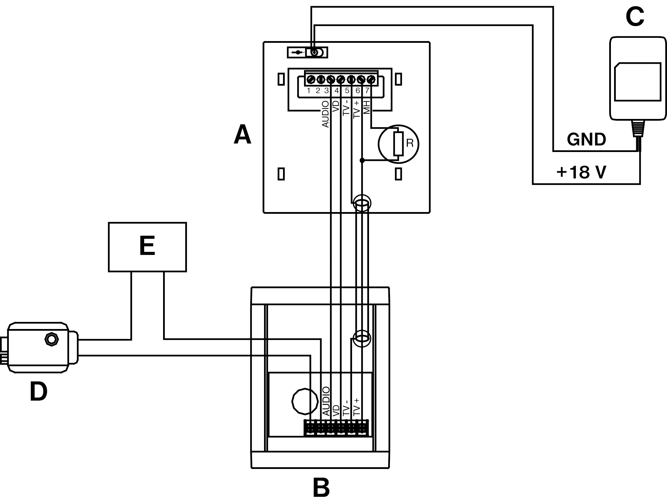
Popis schématu!

A- monitor, B- kamera, C- adaptér, D- elektrický zámek dveří (není součástí sestavy), E- zdroj pro el. zámek (není součástí sestavy).

 

Technické parametry

Monitor
Napájení 18 V/ DC
Monitor 4 ", černo-bílý
Zvuk dvoutónový
Automatické vypnutí po 10 s
Počet vodičů 4
Pracovní teplota 0 °C až 50 °C
Váha 1305 g
Adaptér
Napájení síťové (230/ 50 Hz)
Výstup 18 V/ DC
Výkon 20 W
Kamera
Napájení 12, 0 V / DC
Minimální osvětlení 0, 3 Lux
Osvětlení ve tmě 6 x infra LED
Pracovní teplota -10 °C až 50 °C
Váha 610 g

Ke stažení

Název souboru Velikost
schéma_dv2003_2.jpg 390,76 kB stáhnout
schéma_dv2003_1.jpg 481,06 kB stáhnout
DV_monitor-výkres 55,93 kB stáhnout
DV2003a-návod 2,34 MB stáhnout
DV_kamera-výkres 65,9 kB stáhnout
schéma_DV_v2008.jpg 226,21 kB stáhnout

Máte jakýkoli dotaz?

*
*
* Ochrana proti robotům