Tento web používa na poskytovanie služieb, personalizáciu reklám a analýze návštevnosti súbory cookie. Používaním tohto webu s tým súhlasíte.
Souhlasím

Kategorie

Menu

Prihlásenie

Dotykový a diaľkový regulátor osvetlenia

DR2-MD

Dotykový a diaľkový regulátor osvetlenia (stmievač) DR2-MD je možné použiť pre elektronické transformátory.

39,46 € 32,08 € bez DPH
ks

popis produktu

Vlastnosti DR2-MD:

Je funkčne zhodný s typom DR2-ZD. Avšak výkonovým prvkom je tranzistor MOSFET. Preto je možné tento typ použiť pre elektronické transformátory(nie pre toroidné transformátory). Ďalšou výhodou je bezhlučná prevádzka a elektronická poistka odolná proti skratu na žiarovke.

 

Technické parametre

Napájanie 230, 0 V / 50 Hz
Odporová záťaž 40 W až 400 W
Induktívna záťaž 0 VA až 0 VA
Spínací prvok mosfet
Max. prierez inštalačných vodičov 2, 5 mm2
Poistka Ne
Stupeň krytia IP20
Pracovná teplota 0 °C až 40 °C
Funkce
Regulácia dotykom Ano
Regulácia IR diaľkovým ovládačom Ano
Systém učenia IR kódov Ne
Svetelná indikácia LED Ano
Zvuková indikácia Ano
Možnosť ovládania z viacerých miest Ano
Pamäť poslednej nastavenej intenzity ano
Plynulý nábeh osvetlenia ano
Automatické vypnutie svetla po 8 hod. prevádzky Ano
Simulácia prítomnosti osôb v miestnosti Ano
Použitie pre transformátory Ano
Vhodné pre LED ne
Odolnosť proti rušeniu v sieti Ne
Bezhlučná prevádzka Ano

Ku stažení

Názov súboru Veľkosť
DR2-MD-návod 1,28 MB stáhnout
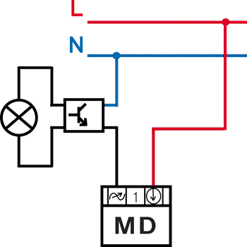
schéma_dr2md_2.jpg 47,87 kB stáhnout
schéma_dr2md_1.jpg 59,38 kB stáhnout
DR2-výkres 72,97 kB stáhnout
DR2 Prohlaseni o shode 1,34 MB stáhnout

Máte jakýkoli dotaz?

*
*
* Ochrana proti robotům